успешно
отправлено
Наши специалисты свяжутся с вами в кратчайшие сроки.
Все лазеры этой серии базируются на кольцевом резонаторе и имеют квантрон с диффузным керамическим отражателем. Благодаря такому техническому решению в отличие от лазеров с традиционным линейным резонатором Nd:YAG Q-Switched лазеры LQ529 серии имеют однородный профиль лазерного луча близкий к прямоугольному и обладают исключительной стабильностью энергетических и пространственных параметров излучения. Стабильность диаграммы направленности для Nd:YAG Q-Switched LQ529 лазеров не превышает 20 мкрад в вертикальной плоскости и 80 мкрад в горизонтальной плоскости.
Все критичные элементы лазера имеют прецизионную термостабилизацию, что в сочетании с виброустойчивым механическим дизайном обеспечивает отличную долговременную стабильность выходного излучения. Эффективные термостаты, примененные в Nd:YAG Q-Switched LQ529, минимизируют время прогрева лазера и обеспечивают время его выхода на рабочий режим менее чем за 10 минут.
Чтобы уменьшить затраты вашего времени на рутинный сервис LQ529 лазера мы обеспечили время жизни лампы накачки более 30 млн. импульсов, а также предусмотрели простую и быструю процедуру ее замены.
Замкнутая система охлаждения «вода – воздух» интегрирована в компактную однофазную систему питания лазера, как от РС, так и от пульта дистанционного управления.

Импульсный Nd:YAG лазер Модель LQ529
| Модель | LQ529B | LQ529A | ||||
| Частота повторения импульсов, Гц | 10 | 20 | 30 | 5 | 10 | |
| Энергия в импульсе, мДж | на 1064 нм | 350 | 350 | 280 | 500 | 500 |
| на 532 нм | 190 | 190 | 140 | 280 | 280 | |
| на 355 нм | 100 | 100 | 60 | 130 | 130 | |
| на 266 нм | 60 | 40 | 25 | 85 | 70 | |
| на 213 нм 1) | 18 | 15 | 8 | 25 | 20 | |
| Диаметр луча2), мм | < 6 | < 8 | ||||
| Длительность импульса2), нс | 8-12 | |||||
| Расходимость2), мрад | ≤ 1,5 | |||||
| Стабильность выходной энергии2), % | ≤ 1 | |||||
| Джиттер3), нс | ≤ 1 | |||||
| Охлаждение | Вода-воздух | |||||
| Питающая сеть | 200…240 В, 50/60 Гц, < 1000 Вт | |||||
| Габаритные размеры , мм | Излучатель (ДхШхВ) | 615 x 180 x 120 | ||||
| Блок питания (ВxШxГ) | 670 x 330 x 620 | |||||
* Спецификация может быть изменена без предварительного уведомления
1) С внешним генератором гармоники модели LG105.
2) Специфицировано на длине волны 1064 нм.
3) Измеряется относительно импульса внешнего запуска ЭО затвора.

Типичный профиль лазерного луча на длине волны 532 нм. Дальняя зона

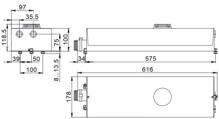
Габаритные размеры излучателя LQ529 лазера

Габаритные размеры блока питания LQ529 лазера
В стандартной конфигурации LQ529 лазер имеет встроенные генераторы 2-й, 3-й и 4-й гармоник. Однако по вашему запросу эти генераторы могут быть поставлены в виде отдельных внешних модулей. Генератор пятой гармоники доступен только в виде внешнего модуля.

Nd:YAG лазерная система с внешними генераторами гармоник
LQ529 лазер может быть дополнен по вашему желанию параметрическими генератором света LP600 серии. В такой комбинации у Вас будет источник мощного непрерывно перестраиваемого лазерного излучения в широком спектральном диапазоне длин волн (от УФ до ИК).
.png)
Параметрический генератор света для Nd:YAG лазера
Лазер может быть доукомплектован автоматизированным ослабителем мощности лазерного излучения. По вашему выбору это может быть устройство, оптимизированное для работы на одной длине волны, или ахроматический ослабитель, рассчитанный для одновременного ослабления всех гармоник лазера от 266 нм до 1064 нм.
.png)
Ослабитель мощного лазерного излучения
Для ряда применений требуется возможность оперативной и гибкой доставки лазерного излучения к объекту исследований или к месту проведения измерений. Оптическое волокно для этих целей можно использовать только для передачи излучения с небольшой энергией в импульсе (5-20 мДж). Для доставки мощного лазерного излучения мы предлагаем доукомплектовать лазер зеркальным манипулятором. Для минимизации потерь энергии лазерного импульса в манипуляторе устанавливаются специальные диэлектрические зеркала с высоким коэффициентом отражения одновременно для длин волн 1064 нм и 532 нм.