успешно
отправлено
Наши специалисты свяжутся с вами в кратчайшие сроки.
Переключение режима работы двойного монохроматора MSA-130 представляет собой ручной перевод двухпозиционного переключателя из положения “Addition” (сложение) в положение “Subtraction” (вычитание) и обратно без каких-либо дополнительных юстировок со стороны пользователя. Прибор является многофункциональным, компактным, удобным и надежным.
В режиме сложения дисперсий MSA-130 представляет собой стандартный двойной монохроматор (суммарное фокусное расстояние 260нм) с промежуточной щелью и чрезвычайно низким уровнем рассеянного света.
В режиме вычитания дисперсий MSA130 является перестраиваемым фильтром с регулируемой полосой пропускания и резким краем. Ширина выделяемого спектрального диапазона задается промежуточной щелью, а центральная длина волны устанавливается синхронным поворотом двух дифракционных решеток
Так как в режиме вычитания дисперсии ход лучей во второй половине двойного монохроматора полностью соответствует обратному ходу лучей в первой половине, то в результате осуществляется полная компенсация дисперсий и достигается нулевая дисперсия. Весь спектр, выделяемый промежуточной щелью, отображается на выходе второго монохроматора в виде одной пространственной линии.
MSA-130 имеет широкий выбор нарезных дифракционных решеток. Для достижения идеальной компенсации дисперсии в режиме вычитания (нулевой дисперсии) изготовитель тщательно следит за тем, чтобы дифракционные решетки обоих половин монохроматора являлись репликами, изготовленными из одной и той же матрицы.
Входная, промежуточная и выходная щели MSA-130 имеют ручное управление и плавную микрометрическую регулировку ширины раскрытия. Входная и выходная щели расположены под углом 66° к вертикали.

Обе дифракционные решетки MSA-130 установлены на одной оси и приводятся в движение одним и тем же шаговым двигателем. Это позволяет обеспечить полную синхронность вращения решеток и высокую точность установки длины волны. Управление дифракционными решетками MSA130 производится от компьютера через USB интерфейс.

Конструктивно дифракционные решетки закреплены в едином держателе, который тщательно съюстирован нашими сервис-инженерами. Держатель с рабочим комплектом решеток установлен в приборе. По Вашему желанию прибор может быть дополнительно укомплектован одним или несколькими комплектами дифракционных решеток в держателях.
Смена дифракционных решеток в MSA-130 является простой и удобной (см. рисунок).
Для смены решеток достаточно открыть крышку на задней панели двойного монохроматора MSA-130, открутить два крепежных винта и извлечь держатель с дифракционными решетками. Держатель помещается в специальный бокс из комплекта ЗИП. Вновь выбранный комплект решеток устанавливается в корпус MSA-130 и фиксируется двумя винтами. Этого достаточно, чтобы идеально восстановить положение дифракционных решеток, соответствующее калибровке завода-изготовителя.
Комплект поставки MSA-130 содержит визир Sight, предназначенный для проверки текущей калибровки монохроматора пользователем. Визир содержит объектив-ахромат, устанавливается на выходную щель и используется для визуального наблюдения положения изображения известных спектральных линий относительно центра выходной щели. Спектральный диапазон работы визира: 200нм-2000нм.

Программное обеспечение двойного монохроматора MSA-130 содержит возможности оперативной коррекции калибровки пользователем.
Программное обеспечение также позволяет вычислить спектральную ширину линии, выделяемой монохроматором в режимах сложения и вычитания дисперсий в зависимости от установленной ширины входной, промежуточной и выходной щелей.
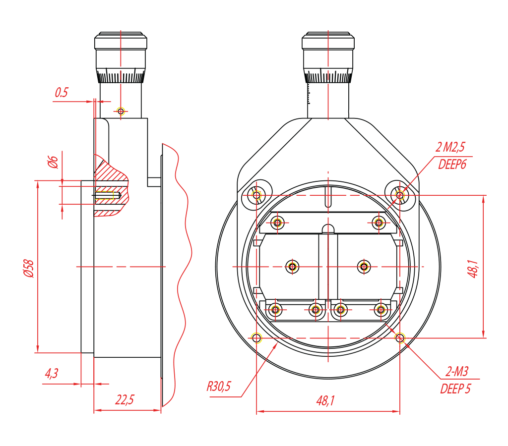
Выходная щель двойного монохроматора MSA-130 содержит два крепежных отверстия М2.5, позволяющие Вам при необходимости закрепить на корпусе щели Ваш собственный детектор. Два дополнительных отверстия M3 имеются на корпусе рядом с узлом щели. Расположение крепежных отверстий указано на рисунке.
Внимание: Во избежание выхода механизма щели из строя категорически запрещается закреплять на корпусе щели узлы весом более 1кг!
.png)
Основным преимуществом двойного монохроматора MSA-130 является его многофункциональность, т.е. способность работать как в режиме сложения, так и в режиме вычитания дисперсий без дополнительных подъюстировок и без ручной замены оптических элементов.
Это уникальное свойство было достигнуто путем ввода в оптическую схему двойного монохроматора переключаемой системы оптического сопряжения двух составляющих его одинарных монохроматоров.


В режиме вычитания дисперсии сопряжение монохроматоров осуществляется с помощью двух плоских зеркал, между которыми находится промежуточная щель. При переключении MSA-130 на режим сложения дисперсий одно из плоских зеркал заменяется «крышей», т.е. отражателем, выполненным в виде двух зеркал, образующих между собой двугранный угол величиной 90°.
Эффект от такой замены аналогичен классическому подходу при изменении режима сложения дисперсии на вычитание, который представляет собой «переворот» оптической схемы второго одинарного монохроматора относительно первого. Разница в том, что при стандартном подходе смена режимов требует полного изменения конструкции прибора, а в MSA-130 она осуществляется простым поворотом двухпозиционного переключателя в рамках одного и того же дизайна. Таким образом, в MSA-130 достигается многофункциональность работы при сохранении жесткости конструкции и компактного дизайна.
Все оптические элементы MSA-130 тщательно съюстированы изготовителем и не требуют дополнительных подъюстировок ни при смене режимов работы, ни при замене комплекта решеток.
* Оптическая схема MSA-130 запатентована.
Параметр |
Значение |
|||
| Оптическая схема | Модифицированный двойной монохроматор Черни-Тернера, с системой оптического сопряжения, обеспечивающей сложение или вычитание дисперсии | |||
|
Фокусное расстояние, мм (1-й монохроматор) |
||||
| - коллиматор | 130 | |||
| - камера | 142 | |||
|
Фокусное расстояние, мм (2-й монохроматор) |
||||
| - коллиматор | 142 | |||
| - камера | 130 | |||
| Порты | 1 входной, 1 выходной | |||
| Относительное отверстие | 1 : 4,5 | |||
| Входная/выходная щели | микрометрические регулируемые | |||
| ширина щели, мм | 0 - 2 | |||
| высота щели, мм | 12 | |||
| параллельность, мкм | ±1 | |||
| точность считывания деления микрометра, мкм | ±1 | |||
| Промежуточная щель | микрометрические регулируемые | |||
| ширина щели, мм | 0 - 5 | |||
| высота щели, мм | 12 | |||
| параллельность, мкм | ±1 | |||
| точность считывания деления микрометра, мкм | ±1 | |||
| Дифракционные решетки1) | Комплект из двух идентичных дифракционных решеток установлен в держателе и съюстирован изготовителем. Замена держателя с решетками производится пользователем без дополнительных юстировок | |||
| - Число штрихов на мм | 1200 штр/мм | 600 штр/мм | 300 штр/мм | |
| - Размеры решетки, мм | 25 x 25 x 8 | 25 x 25 x 8 | 25 x 25 x 8 | |
| - Длина волны в блеске, нм | 280 | 750 | 1500 | |
| - Рекомендуемый диапазон длин волн2), нм | 190 - 650 | 385 -1300 | 770-2600 | |
| - Механический диапазон сканирования, нм | 0 - 760 | 0 - 1300 | 0-3000 | |
| - Обратная линейная дисперсия (средняя) первого монохроматора, нм/мм | 5,8 | 11,6 | 23,2 | |
| Точность определения длины волны, нм | +/- 0, 15 | +/- 0, 25 | +/- 0,6 | |
| Повторяемость, нм | +/- 0,05 | +/- 0,1 | +/- 0,2 | |
| Шаг сканирования, нм | 0,01 | 0,02 | 0,04 | |
| Скорость сканирования длины волны, нм/с | 19 | 38 | 76 | |
| Режим сложения дисперсии Обратная линейная дисперсия (средняя), нм/мм | 3,0 | 6,0 | 12,0 | |
| Ширина выделяемого спектрального интервала, нм | 0,2 - 6 | 0,4 - 12 | 0,8 – 24 | |
| Спектральное разрешение, нм | 0,07 | 0,14 | 0,28 | |
| Режим вычитания дисперсии Обратная линейная дисперсия (средняя), нм/мм | 0 | 0 | 0 | |
| Ширина выделяемого спектрального интервала, нм | 0,2 - 40 | 0,4 - 80 | 0,8 – 160 | |
| Ширина изображения при 25 мкм входной щели, мкм - для промежуточной щели 2,5мм | 32 | 32 | 32 | |
| - для промежуточной щели 5,0 мм | 43 | 43 | 43 | |
| Рассеяный свет | 6 * 10- 9 | |||
| Интерфейс связи с компьютером | High Speed USB | |||
| Требования к электросети | Однофазная сеть 85 - 264 В; 47 - 63 Гц | |||
| Ахроматический объектив | Трехлинзовый объектив f = 41.18nm (поставляется вместе с прибором; используется для коррекции калибровки) | |||
| Вес, кг | 8 | |||
1) Одна пара дифракционных решеток входит в стандартный комплект поставки. 2-я пара и 3-я пары дифракционных решеток могут быть поставлены опционально. Доступны также дифракционные решетки с параметрами, отличными от параметров, приведенных в настоящей спецификации.
2) Рекомендуемый диапазон длин волн охватывает спектральный диапазон, для которого значение дифракционной эффективности конкретной решетки превышает 30%.
Двойной монохроматор MSA-130 имеет широкий выбор аксессуаров, позволяющий осуществить эффективный сбор излучения от образца, расположенного на конечном расстоянии и в бесконечности, доставить излучение в монохроматор посредством оптического волокна и без него, осуществить эффективное согласование апертур оптического волокна и монохроматора.
Адаптеры PS-2 и PS-3 обеспечивают сбор излучения с конечного расстояния в широком апертурном угле и эффективный ввод излучения в оптическое волокно. PS-2 характеризуется высоким пропусканием в УФ-области спектра, а PS-3 имеет возможность установки краевого фильтра (Edge-фильтра). Объективы Кассегрена позволяют собирать излучение от объектов, расположенных на расстоянии от 3,5м до бесконечности.
Адаптер AFA содержит два объектива-ахромата и разъем SMA-905 и предназначен для согласования апертур при волоконном вводе/выводе излучения в монохроматор. Спектральный диапазон работы AFA: 200нм-2000нм. Адаптер AFA устанавливается на входную и/или выходную щели MSA-130 и позволяет минимизировать потери излучения при волоконном вводе/выводе, а также значительно уменьшить рассеянный свет за счет согласования апертур.
.png)
.png)
Оптическая схема и внешний вид адаптера AFA
.jpg)
Обратитесь к специалисту СОЛАР ЛС для выбора комплектности прибора, наиболее полно удовлетворяющей потребностям Вашего приборного комплекса.