успешно
отправлено
Наши специалисты свяжутся с вами в кратчайшие сроки.
Чрезвычайно высокая светосила (F=1:3,6) позволяет использовать дифракционный прибор М150 для самого широкого круга рутинных задач, включая измерения флуоресценции, отражения и пропускания в широкой спектральной области от УФ до ИК, изучение спектрального состава источников света, многоканальную спектроскопию и прочие применения
Низкий уровень рассеянного света, обусловленный высоким качеством оптической схемы и тщательной конструкторской проработкой корпуса прибора, позволяет получать оптимальное соотношение сигнал/шум
Три дифракционных решетки, установленные на автоматизированной турели, охватывают максимально широкий спектральный диапазон с помощью одного компактного прибора.
Оба выходных порта М150 имеют полноценное плоское поле размером 30х10мм и позволяют подсоединять по Вашему выбору или две выходных щели, или выходную щель и многоканальный детектор, или два детектора одновременно
Высокая степень автоматизации М150 стандартно охватывает сканирование и смену дифракционных решеток, смену фильтров разделения порядков, регулировку ширины входной щели и работу затвора (шаттера) для автоматического вычитания фона. Выбор рабочего выходного порта осуществляется вручную с помощью переключателя портов, расположенного на верхней крышке прибора. Прецизионная регулировка ширины выходных щелей осуществляется вручную с помощью микровинтов
Обе выходные щели М150 оснащены прецизионными устройствами фокусировки щелей.
Адаптеры детекторов М150 имеют возможность удобной юстировки детектора по фокусу.
Версия IMAGING (Опция) предполагает установку цилиндрического поворотного зеркала, обеспечивающего компенсацию астигматизма для обоих выходных портов прибора. Это позволяет заводить излучение в М150 с помощью набора оптических волокон, расположенных вдоль входной щели, а также считывать сигнал с матричных детекторов не только в режиме суммирования строк (Binning), но и в режиме получения двумерного изображения (Imaging)
Программное обеспечение SolarLS.LAB обеспечивает автоматическую работу системы с многократным сканированием и сменой решёток и фильтров, получением панорамных спектров, их демонстрацией и автоматической сшивкой, а также обработкой спектров.
Программные модули DLL иили драйвера LabVIEW бесплатно поставляются по Вашему требованию в комплекте с дифракционным монохроматором М150 и позволяют организовать управление прибором в рамках общей управляющей программы Вашего приборного комплекса
М150 содержит один входной порт и два выходных порта. На входной порт устанавливается либо стандартная входная щель, либо (опционально) скрещенная входная щель. Входная щель автоматизирована, управление шириной раскрытия ножей осуществляется из программного обеспечения прибора.
Дифракционный монохроматор-спектрограф М150 содержит турель из трех дифракционных решеток. По Вашему выбору количество решеток на турели может быть уменьшено до двух или одной шт.
| Модификация | Состав |
| M150-III | стандартная оптика и турель с 3-мя дифракционными решетками |
| M150-II | стандартная оптика и турель с 2-мя дифракционными решетками |
| M150-I | стандартная оптика и одна дифракционная решетка |
| M150i-III | Imaging оптика (компенсатор астигматизма) и турель с 3-мя дифракционными решетками |
| M150i-II | Imaging оптика (компенсатор астигматизма) и турель с 2-мя дифракционными решетками |
| M150i-I | Imaging оптика (компенсатор астигматизма) и одна дифракционная решетка |
Стандартная оптика представляет собой сферические и плоские зеркала с покрытием Al+MgF2, оптимизированным для высокой эффективности в УФ-области спектра. Опционально прибор может содержать оптику с покрытием Al+SiO2 или с золотым покрытием для высокой эффективности в ИК-области.

На выходные порты дифракционного спектрографа М150 могут быть установлены или две выходных щели, или одна выходная щель и детектор, или два детектора одновременно.
Прямой (Аксиальный) и боковой (Радиальный) выходные порты работают поочередно. Выбор порта осуществляется вручную с помощью переключателя портов, расположенного на верхней крышке прибора. Переключатель переводит поворотное зеркало, направляющее излучение на боковой (Радиальный) выходной порт в рабочее положение. В нерабочем положении переключателя излучение проходит на прямой (Аксиальный) выходной порт.
Возможна поставка прибора с одним выходным портом (Аксиальным). Если Радиальный выходной порт не используется, на него устанавливается заглушка.

Внимание: Во избежание выхода механизма щели из строя категорически запрещается закреплять на корпусе щели узлы весом более 1кг!
М150 является уникальным короткофокусным монохроматором, который при своих небольших размерах имеет чрезвычайно высокую светосилу (относительное отверстие 1: 3,6).

Основной сложностью, возникшей при разработке оптической схемы M150, была необходимость обеспечить высокое оптическое качество в рамках миниатюрного короткофокусного прибора с оптическими элементами больших размеров и большими углами на зеркалах и решетках. Эта задача была решена на базе модифицированной оптической схемы Черни-Тернера, в которой входная щель и выходная щель (центр спектра) расположены несимметрично относительно дифракционной решетки.
Уникальное сочетание высокой светосилы и беспрецедентного качества линии было достигнуто путем тщательной оптимизации фокусных расстояний коллиматорного и камерного зеркал, а также соотношений углов на оптических элементах. Для модификации M150i (Imaging) был разработан компенсатор астигматизма, который устанавливается в оптической схеме M150 вместо первого поворотного зеркала и обеспечивает отсутствие астигматизма для обоих выходных портов прибора.
Другой сложностью, которая возникла при разработке M150 и была блестяще решена нашими конструкторами, была необходимость вместить в миниатюрный дизайн максимум функциональности и удобств для пользователя.
В результате появился M150 — многофункциональный короткофокусный монохроматор-спектрограф, обладающий уникальным сочетанием технических характеристик и укомплектованный всеми опциями, присущими крупногабаритным монохроматорам и спектрографам. M150 содержит два выходных порта с плоским полем и возможностью полноценной работы с ними. На любой из портов может быть установлена выходная щель с механизмом ее плавной фокусировки или CCD детектор с адаптером, обеспечивающим его удобную регулировку по фокусу.
Большое плоское поле спектрографа М150 размером 30мм x 10мм обеспечивает широкий интервал одновременной регистрации спектра с помощью CCD-детектора и возможность качественной программной сшивки спектров, полученных посредством нескольких сканов.
М150 также совместим со всеми аксессуарами – колесо фильтров разделения порядков, адаптеры для согласования апертур волокна и монохроматора, адаптеры для сбора излучения в оптическое волокно и др.
Астигматизм в целом присущ всем спектральным приборам и выражается в том, что точка на входной щели изображается в плоскости изображения в виде вертикального отрезка. Величина астигматического отрезка для М150 составляет 8мм в центре плоского поля и соответственно 6,5мм и 10мм по краям поля. Наличие астигматизма обычно не ухудшает разрешающей способности прибора, но, в зависимости от высоты используемого детектора, может ощутимо влиять на общую чувствительность системы.
Исправление астигматизма является обязательным в многоканальной спектроскопии, если требуется адекватно передать распределение освещенности вдоль щели, а также при использовании приборов с матричными детекторами в режиме двумерного изображения (Imaging).
Компенсатор астигматизма в M150i (модификация Imaging) представляет собой цилиндрическое зеркало, которое устанавливается после входной щели вместо плоского поворотного зеркала и обеспечивает компенсацию астигматизма для обоих выходных портов прибора. Введение компенсатора астигматизма в оптическую схему позволяет исправить астигматизм в плоскости выходной щели до величины порядка 50мкм. Это обстоятельство нужно учитывать при расчете ожидаемого оптического разрешения прибора с конкретной решеткой. Компенсация астигматизма также влияет на вертикальное увеличение прибора:
| Увеличение М150 | Горизонтальное увеличение (вдоль направления дисперсии) | Вертикальное увеличение (вдоль выходной щели) | |
| без компенсации астигматизма | 1,15 | 1,0 | |
| с компенсацией астигматизма | 1,15 | 1,35 | |
| Параметр | Значение | |||||||||
| Оптическая схема | Оптимизированная схема Черни-Тернера с одним оптическим входом и двумя выходами | |||||||||
| Спектральный диапазон | Стандартный 190 – 3600 нм (см. спецификацию ниже); расширенный до 15 мкм (по Вашему запросу) | |||||||||
| Относительное отверстие | 1 : 3,6 | |||||||||
| Фокусное расстояние, мм | 142 | |||||||||
| Плоское поле, мм | 30 x 10 | |||||||||
| Imaging | Опция. Организована на обоих выходных портах. | |||||||||
| Дифракционные решетки | 40x40x10мм, турель с 3-мя решетками из следующего перечня 1) | |||||||||
| — число штрихов на мм 1) | 1800 | 1200 | 900 | 600 | 600 | 400 | 300 | 200 | 100 | 100 |
| — длина волны в блеске, нм | 270 | 400 | 600 | 750 | 1000 | 800 | 1500 | 1500 | 2000 | 500 |
| — обратная линейная дисперсия (средн.значение), нм/мм | 3,2 | 4,9 | 6,4 | 9,8 | 9,4 | 15,2 | 20,1 | 30,4 | 63 | 68 |
| — спектральный диапазон 2), нм | 190-540 | 265-800 | 400-1200 | 500-1500 | 660-2000 | 530-1600 | 1000-3000 | 1000-3000 | 1330-4000 | 330-1000 |
| — интервал одновременной регистрации многоканального детектора (средн.значение), нм | 813) | 1263) | 1653) | 2503) | 1204) | 1944) | 2574) | 3884) | 8004) | 8704) |
| — разрешение (средн.значение), нм | 0,23) | 0,33) | 0,43) | 0,63) | 0,64) | 0,954) | 1,254) | 1,94) | 3,84) | 4,24) |
| 0,135) | 0,25) | 0,275) | ||||||||
| Входная щель / Выходная щель | Автоматическая / Ручная регулировка | |||||||||
| — ширина щели, мм | 0 — 3 | |||||||||
| — высота щели, мм | 10 | |||||||||
| — параллельность, мкм | +/- 1 | |||||||||
| — точность считывания микрометра, мкм | +/- 1 | |||||||||
| — размер шага, мкм | 0,00275 | |||||||||
| — погрешность, мкм | +/- 1 | |||||||||
| Турель фильтров | автоматическое переключение | |||||||||
| — макс. количество фильтров | 6 | |||||||||
| — стандартное количество фильтров | 5 | |||||||||
| — размер фильтра, мм | 20 | |||||||||
| — световая апертура, мм | 18 | |||||||||
| Встроенный шаттер | программно управляемый, служит для измерения темнового сигнала | |||||||||
| Связь с РС | Full-Speed USB интерфейс | |||||||||
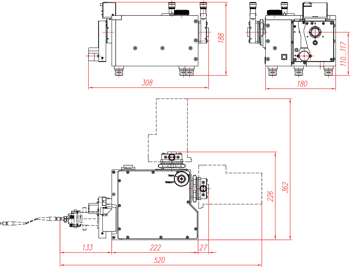
| Габариты, вес | 308 х 226 х 188 мм, 8 кг | |||||||||
1) по Вашему запросу могут быть использованы дифракционные решетки с другим количеством штрихов/углом блеска.
2) диапазон длин волн с дифракционной эффективностью более 40%.
3) для детектора с размером пикселя 25мкм и длиной светочувствительной зоны 25,6мм.
4) для детектора с размером пикселя 25мкм и длиной светочувствительной зоны 12,8мм.
5) для детектора с размером пикселя 8мкм и длиной светочувствительной зоны 29,1мм.
Монохроматор-спектрограф М150 имеет широкий выбор опций и аксессуаров, позволяющий осуществить эффективный сбор излучения от образца, расположенного на конечном расстоянии и в бесконечности, доставить излучение в монохроматор посредством оптического волокна и без него, осуществить эффективное согласование апертур оптического волокна и монохроматора.
Все выходные щели снабжены устройством прецизионной фокусировки щели, а адаптеры детекторов обеспечивают возможность удобной фокусировки детектора.
Адаптеры PS-2 и PS-3 обеспечивают сбор излучения с конечного расстояния в широком апертурном угле и эффективный ввод излучения в оптическое волокно. PS-2 характеризуется высоким пропусканием в УФ-области спектра, а PS-3 имеет возможность установки краевого фильтра (Edge-фильтра).
Объективы Кассегрена позволяют собирать излучение от объектов, расположенных на расстоянии от 3,5м до бесконечности.
Выходная щель М150 содержит 4 крепежных отверстия М3, позволяющие Вам при необходимости закрепить на корпусе щели Ваш собственный детектор. Расположение крепежных отверстий указано на рисунке.
Обратитесь к специалисту Солар ЛС для выбора комплектности прибора, наиболее полно удовлетворяющей потребностям Вашего приборного комплекса.
| Многоканальные CCD матрицы производства ANDOR Technology TM – уникальная технология вакуумирования детектора UltravacTM; глубокое ТЕ охлаждение (до -100°С) | |
| Серия iVac | Модель DR 324B-FI model, front-illuminated CCD, термоэлектрическое охлаждение UltraVacTM до -60°C, спектральный диапазон 400-1000nm, 1650х200 пикселей, размер пикселя 16мкм х16мкм, размер светочувствительной зоны 26.4мм х 3.2мм, АЦП 16 бит |
| Серия iDus | Модель DV 401A-BV model, back-illuminated CCD, термоэлектрическое охлаждение UltraVacTM до -70°C, спектральный диапазон 200-1000нм, 1024х127пикселей, размер пикселя 26мкм х 26мкм, размер светочувствительной зоны 26.6мм х 3.6мм, АЦП 16 бит |
| Модель DU 401A-BV, back-illuminated CCD, термоэлектрическое охлаждение UltraVacTM до -100°C, спектральный диапазон 200-1000нм, 1024х127пикселей, размер пикселя 26мкм х 26мкм, размер светочувствительной зоны 26.6мм х 3.6мм, АЦП 16 бит | |
| Серия Newton, EMCCD | Модель DU970P-FI (*), front-illuminated EMCCD с электронным усилением, спектральный диапазон 400-1000нм, термоэлектрическое охлаждение UltraVacTM до -100°C, 1600х200 пикселей, размер пикселя 16мкм х16мкм, двойной выходной усилитель, crop mode, варьируемая скорость считывания до 3MГц, АЦП 16 бит |
| Модель DU970P-BV (*), back-illuminated EMCCD с электронным усилением, термоэлектрическое охлаждение UltraVacTM до -100°C, спектральный диапазон 200-1000нм, 1600х200 пикселей, размер пикселя 16мкм х 16мкм, двойной выходной усилитель, crop mode, варьируемая скорость считывания до 3MГц, АЦП 16 бит | |
| Серия iStar, Gated iCCD | Модель DH320T-25U-03 (*), сверхбыстрая CCD камера с затвором и усилителем яркости, спектральный диапазон 200-900нм, CCD 124х256 100% фактор заполнения, трубка 25мм, фотокатод Gen2 Multialkali S20, мулти-мегагерцовая скорость считывания, интегрированный цифровой генератор задержки, 3 ns Crop Mode сенсор, порт продувки фотокатода сухим газом, интерфейс USB |
(*) по запросу могут поставляться другие модели детекторов производства ANDOR Technology TM
| Двумерные матрицы HAMAMATSU для диапазона 200-1100нм | |
| Модель U2C-16H7306 | S7030-1006 датчик, неохлаждаемый, спектральный диапазон 200-1100нм, 1024×64 пикселей, размер пикселя 24×24мкм, размер датчика 24.6×1.4мм, АЦП 16 бит |
| Модель U2C-16H7307 | S7030-1007 датчик, неохлаждаемый, спектральный диапазон 200-1100нм, 1024×128 пикселей, размер пикселя 24×24мкм, размер датчика 24.6×2.9мм, АЦП 16 бит |
| Модель U2C-16H7316 | S7031-1006 датчик, термоэлектрическое охлаждение до –10°C, спектральный диапазон 200-1100нм, 1024×64 пикселей, размер пикселя 24×24мкм, размер датчика 24.6×1.4мм, АЦП 16 бит |
| Модель U2C-16H7317 | S7031-1007 датчик, термоэлектрическое охлаждение до –10°C, спектральный диапазон 200-1100нм, 1024×128 пикселей, размер пикселя 24×24мкм, размер датчика 24.6×2.9мм, АЦП 16 бит |
| Модель U2C-16H10426 | S10420-1106-01 датчик, неохлаждаемый, спектральный диапазон 200-1100нм, 2068х70 пикселей, размер пикселя 14х14мкм, размер датчика 28,672х0,896мм, АЦП 16 бит |
| Модель U2C-16H11516 | S11510-1106 датчик, неохлаждаемый, спектральный диапазон 200-1100нм, 2068х70 пикселей, размер пикселя 14х14мкм, размер датчика 28,672х0,896мм, АЦП 16 бит |
| Модель U2C-16H11850 | S11850 датчик, термоэлектрическое охлаждение до 5°С, спектральный диапазон 200-1200нм, 2068х70 пикселей, размер пикселя 14х14мкм, размер датчика 28,672х0,896мм, АЦП 16 бит |
| Модель U2C-16H101409 | S10140-1109 датчик, неохлаждаемый, спектральный диапазон 200-1100нм, 2068х70 пикселей, размер пикселя 14х14мкм, размер датчика 28,672х0,896мм, АЦП 16 бит |
| Модель U2C-16H101419 | S10141-1109 датчик, термоэлектрическое охлаждение до -10°C, спектральный диапазон 200-1200нм, 2068х512 пикселей, размер пикселя 12х12мкм, размер датчика 24,576х6,072мм, АЦП 16 бит |
| Линейные датчики InGaAs HAMAMATSU для ИК-диапазона 900-1700нм (до 2600нм) | |
| Модель UC-16H9041 | G9204-512D датчик изображения, InGaAs, спектральный диапазон 0.9-1.7мкм, неохлаждаемый, 512 пикселей, размер пикселя 25×500мкм, размер датчика 12.8×0.5мм, АЦП 16 бит |
| Модель UC-16H912 | G9212-512S датчик изображения, InGaAs, спектральный диапазон 0.9-1.7мкм, ТЕ охлаждение –10°C, 512 пикселей, размер пикселя 25×250мкм, размер датчика 12.8×0.25мм, АЦП 16 бит |
| Модель UC-16H914 | G9214-512S датчик изображения, InGaAs, спектральный диапазон 0.9-1.7мкм, ТЕ охлаждение–10°C, 512 пикселей, размер пикселя 25×500мкм, размер датчика 12.8×0.5мм, АЦП 16 бит |
| Модель UC-16H908 | G9208-256W датчик изображения, InGaAs, спектральный диапазон 0.9-2.6мкм, ТЕ охлаждение –20°C, 256 пикселей, размер пикселя 50×250мкм, размер датчика 12.8×0.25мм, АЦП 16 бит |
| Линейные неохлаждаемые датчики для диапазона 200-1100нм | |
| Модель UC-12T3 | TCD1304 датчик изображения, спектральный диапазон 190-1100нм, неохлаждаемый, 3648 пикселей, ширина пикселя 8мкм, АЦП 14 бит |
| Модель UC-12T2 | TCD1205 датчик изображения, спектральный диапазон 200-1100нм, неохлаждаемый, 2048 пикселей, ширина пикселя 14мкм, АЦП 14 бит |
| Модель U2C-14H13496 | S13496 датчик изображения, спектральный диапазон 200-1000нм, неохлаждаемый, 4096 пикселей, ширина пикселя 7мкм, АЦП 14 бит |
| Модель U2C-14H11639 | S11639-01 датчик изображения, спектральный диапазон 200-1000нм, неохлаждаемый, 2048 пикселей, ширина пикселя 14мкм, АЦП 14 бит |
| Модель U2C-16H11156 | S11156-2048-01 датчик изображения, спектральный диапазон 200-1100нм, неохлаждаемый, 2048 пикселей, ширина пикселя 14мкм, размер датчика 28.672×1.0мм, АЦП 16 бит, встроенный электронный затвор, скорость чтения 5МГц, мин время накопления 31мкс |